NITEGLOW® (Glow in the Dark)

Specify NITEGLOW® (Glow-in-the-Dark):

Bring your building up to IBC,IFC,and NYC code compliance
Provide luminescent outlines of egress stairs
Entire photoluminescent area is slip resistant
Recharged by any light source, natural or artificial
Available for new construction or renovation

Single Stage Stair Nosing for Steel Pan or Poured Concrete Steps

Type M231BF-NG – 3″ wide – Maximum piece length is 8’0″
1″ front section is NITEGLOW®
3 abrasive ribs in back available in variety of colors

Get:  or  or  or 

2-Stage Stair Nosing for Steel Pan or Poured Concrete Steps

Type WP-RN2-NG – 2″ wide – Maximum piece length is 8’0″

Get:

 WP-RN2-NG in concrete with pan

 WP-RN2-NG in concrete no pan
or  or 

Type WP24A-NG (with anchor)- 2 1/16″ wide – Maximum piece length is 8’0″

Get:  or  or 

Type WP24-NG (no anchor)- 2 1/16″ wide – Maximum piece length is 8’0″

Get:  or  or 

2-Stage Stair Nosing for Steel Pan or Poured Concrete Steps

Type WP-RN3SG-NG – 3 1/8″ wide – Maximum piece length is 8’0″

Get: or or or

Type WP2D-NG – 2 1/16″ wide – Maximum piece length is 8’0″

Get:  or  or  or 

2-Stage Stair Nosing for Steel Pan or Poured Concrete Steps

Type WP-RN3SP-NG – 3 1/8″ wide – Maximum piece length is 8’0″

Get:  or or

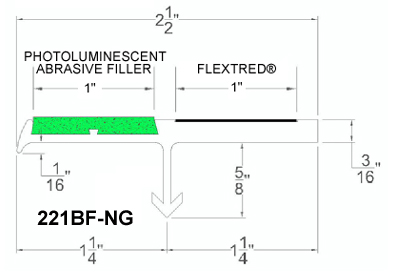
Type 221BF-NG – 2 1/2″ wide – Maximum piece length is 8’0″

Get:  or  or  or 

Type 630B-NG – 3 7/32″ wide – Maximum piece length is 8’0″

Get:   or   or    or

For Renovation:

Type 500-NG – 9″ wide (1 1/8″ glow) – 1 1/8″ nose- Maximum piece length is 8’0″

Get:  or  or 

Type 333FT-NG – 3″ wide – 13/16″ nose- Maximum piece length is 8’0″

Get:    or    or

333FTSN-NG

Type 333FTSN-NG – 3″ wide – 13/16″ nose on 83° slant
– 1/8″ thick and with beveled back

Get Spec Sheet:  or  or